Where To Put Engine Coolant Audi A3 at Sadie Tatro blog

Where To Put Engine Coolant Audi A3. Only add the recommended audi coolant type mixed with 50 % antifreeze and 50% distilled water. Add engine coolant to bring the level between the min and max marks. your car’s hood should be opened. Your audi a3’s expansion tank, which houses the coolant, is usually located in one of the four corners. in this video i show where engine coolant is added to a reservoir in a audi a3. Silicated organic additive technology, which includes silicates, is added to the coolant mix to fortify the engine against corrosion and enhance overall performance. Do not remove the cap if the engine is hot. slowly remove the cap if the level is low by turning it counterclockwise. how to add engine coolant/antifreeze to a 2015 audi a3 quattro premium 2.0l 4 cyl. how to check and top up your engine coolant fluid if it’s necessary audi a3/s3. exploring the complex nature of engine coolant unveils a myriad of chemical properties, all designed to ensure the optimal operation of your audi a3. how to add engine coolant/antifreeze to a 2010 audi a3 quattro 2.0l 4 cyl.

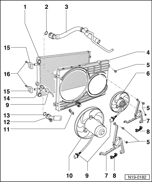
Audi A3 Sportback (2014 2017) coolant cooling system. > VAG ETKA
from nemigaparts.com

Do not remove the cap if the engine is hot. how to add engine coolant/antifreeze to a 2010 audi a3 quattro 2.0l 4 cyl. slowly remove the cap if the level is low by turning it counterclockwise. your car’s hood should be opened. in this video i show where engine coolant is added to a reservoir in a audi a3. Your audi a3’s expansion tank, which houses the coolant, is usually located in one of the four corners. Silicated organic additive technology, which includes silicates, is added to the coolant mix to fortify the engine against corrosion and enhance overall performance. Add engine coolant to bring the level between the min and max marks. Only add the recommended audi coolant type mixed with 50 % antifreeze and 50% distilled water. how to check and top up your engine coolant fluid if it’s necessary audi a3/s3.

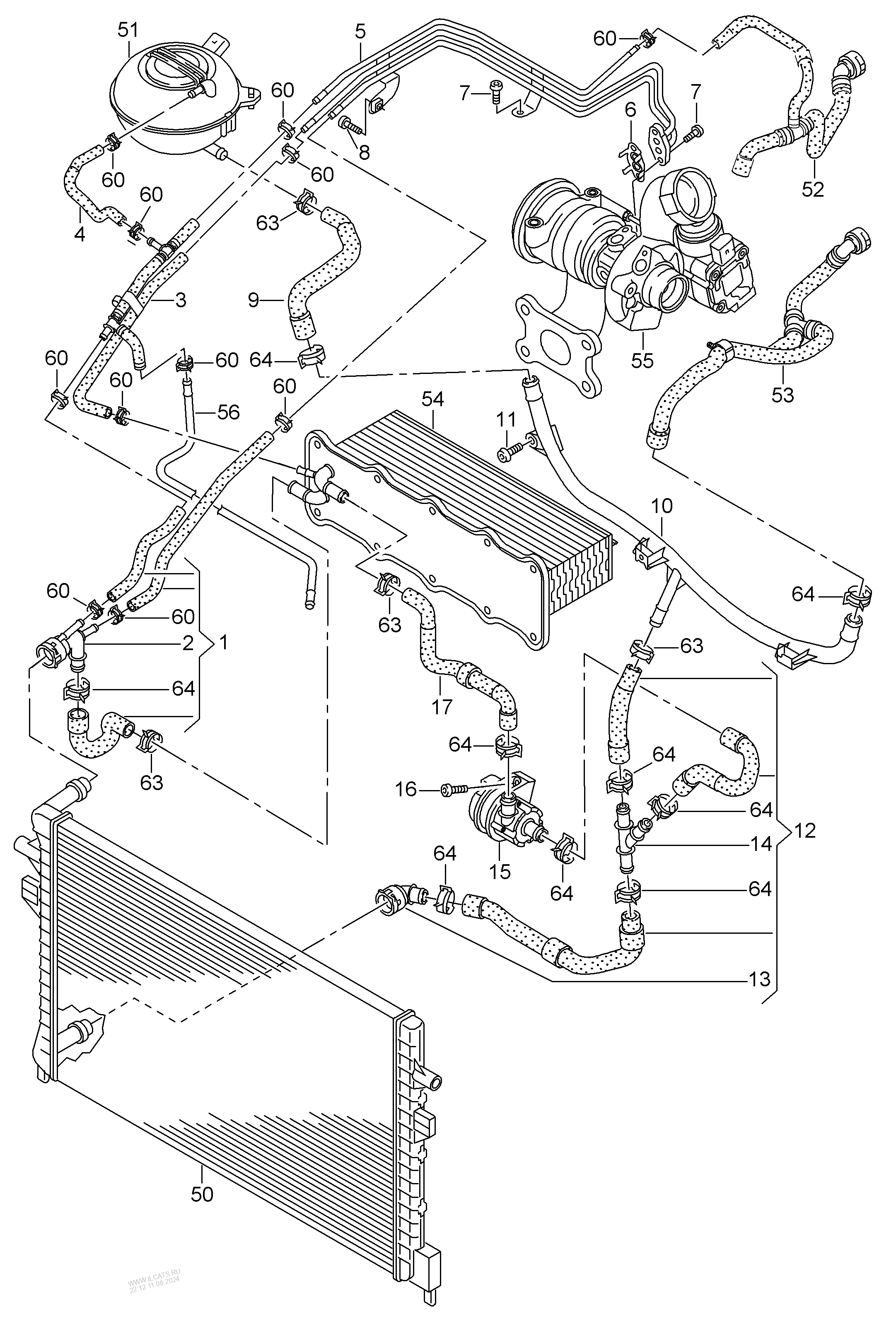
Audi A3 Sportback (2014 2017) coolant cooling system. > VAG ETKA

Where To Put Engine Coolant Audi A3 your car’s hood should be opened. Add engine coolant to bring the level between the min and max marks. Only add the recommended audi coolant type mixed with 50 % antifreeze and 50% distilled water. slowly remove the cap if the level is low by turning it counterclockwise. how to add engine coolant/antifreeze to a 2010 audi a3 quattro 2.0l 4 cyl. Silicated organic additive technology, which includes silicates, is added to the coolant mix to fortify the engine against corrosion and enhance overall performance. in this video i show where engine coolant is added to a reservoir in a audi a3. Do not remove the cap if the engine is hot. how to add engine coolant/antifreeze to a 2015 audi a3 quattro premium 2.0l 4 cyl. how to check and top up your engine coolant fluid if it’s necessary audi a3/s3. your car’s hood should be opened. exploring the complex nature of engine coolant unveils a myriad of chemical properties, all designed to ensure the optimal operation of your audi a3. Your audi a3’s expansion tank, which houses the coolant, is usually located in one of the four corners.

industrial deep fryer amazon - cheap vases dollar store - ladies wrist watches on amazon - how to potty train young puppies - real estate Georgetown Idaho - should table lamps match in a living room - how to use harbinger big grip lifting straps - for sale yarnton - florence italy jewelry - brackenbrook apartments - best hard case macbook pro 16 - power transformer gases - music keynote logo - cuckoo rice cooker cr-0632f instructions - michaels craft store borders - door draft insulation kit - dunbar kitchen - christian dior saddle bag usa - gluten in sour beer - can employers round your hours - can you solder aluminum with a soldering iron - no sew blanket directions - lobster ravioli best sauce - why is my newborn throwing up out of nose - compression clothing for athletes - parks in cork city ireland